
| № поз | Каталоговий номер | Назва | |||||||||||||
|---|---|---|---|---|---|---|---|---|---|---|---|---|---|---|---|
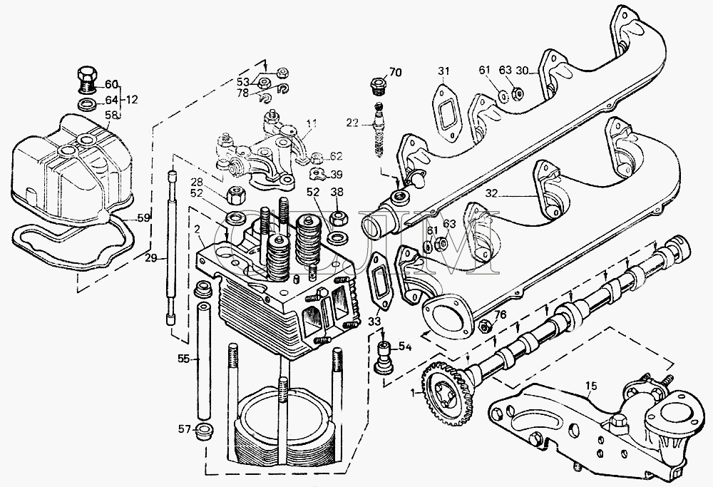
| Д144-0000100-25 | Двигун 29 + 3 кВт (40 л. С.) | Передзвоніть нам (067) 473-90-09 | |||||||||||||
| 1 | Д144-0000150 | Розподільчий вал і шестерні газорозподілу | Передзвоніть нам (067) 473-90-09 | ||||||||||||
| 2 | Д37М-1000080-Б5 | Головка циліндра зі шпильками | Передзвоніть нам (067) 473-90-09 | ||||||||||||
| 11 | Д37Е-1007080-Б2 | Коромисла зі стійкою | Передзвоніть нам (067) 473-90-09 | ||||||||||||
| 12 | Д37М-1007400-Б3 | Кришка клапанів | Передзвоніть нам (067) 473-90-09 | ||||||||||||
| 15 | Д144-1201010 | Кронштейн з'єднувальний з патрубком | Передзвоніть нам (067) 473-90-09 | ||||||||||||
| 22 | СН150А-3740000 | Свічка підігріву одно провідна СН150А | Передзвоніть нам (067) 473-90-09 | ||||||||||||
| 28 | Д37М-1003540-А1 | Гайка | Передзвоніть нам (067) 473-90-09 | ||||||||||||
| 29 | Д37Е-1007320 | Штанга штовхача | |||||||||||||
| |||||||||||||||
| 30 | Д37Е-1008030-А-10 | Трубопровід впускний | Передзвоніть нам (067) 473-90-09 | ||||||||||||
| 31 | Д37М-1008070-Б | Прокладка впускного трубопроводу | Передзвоніть нам (067) 473-90-09 | ||||||||||||
| 32 | Д37М-1008120-Г9 | Трубопровід випускний | |||||||||||||
| |||||||||||||||
| 33 | Д37М-1008170-Б | Прокладка випускного трубопроводу | |||||||||||||
| |||||||||||||||
| 38 | Д30-1002029 | Гайка | Передзвоніть нам (067) 473-90-09 | ||||||||||||
| 39 | Д37М-1002176 | Шайба стопорна | Передзвоніть нам (067) 473-90-09 | ||||||||||||
| 52 | Д37М-1003549 | Шайба | Передзвоніть нам (067) 473-90-09 | ||||||||||||
| 53 | Д30-1007198 | Гайка М10х1 | Передзвоніть нам (067) 473-90-09 | ||||||||||||
| 54 | Д37Е-1007375 | Штовхач клапана | |||||||||||||
| |||||||||||||||
| 55 | Д37Е-1007393-А | Кожух штанги | Передзвоніть нам (067) 473-90-09 | ||||||||||||
| 57 | Д30-1007399-А | Кільце ущільнювальне | Передзвоніть нам (067) 473-90-09 | ||||||||||||
| 58 | Д37М-1007415-Б3 | Кришка клапанів | Передзвоніть нам (067) 473-90-09 | ||||||||||||
| 59 | Д37М-1007419-А2 | Прокладка кришки клапанів | |||||||||||||
| |||||||||||||||
| 60 | Д37М-1007483 | Гайка кришки клапанів | Передзвоніть нам (067) 473-90-09 | ||||||||||||
| 61 | Д37М-1008078 | Шайба пружинна зубчаста | Передзвоніть нам (067) 473-90-09 | ||||||||||||
| 62 | Д37А-1008127-Б | Гайка М8х1 | Передзвоніть нам (067) 473-90-09 | ||||||||||||
| 63 | Д30-1008127-Б2 | Гайка кріплення випускного трубопроводу | Передзвоніть нам (067) 473-90-09 | ||||||||||||
| 64 | Д37М-1104144 | Прокладка | Передзвоніть нам (067) 473-90-09 | ||||||||||||
| 70 | Д21-8101533 | Гайка свічки СН150А | Передзвоніть нам (067) 473-90-09 | ||||||||||||
| 76 | М12х1.25-6Н8.40.019 | Гайка | Передзвоніть нам (067) 473-90-09 | ||||||||||||
| 78 | 100Т65Г06 | Шайба | Передзвоніть нам (067) 473-90-09 | ||||||||||||