
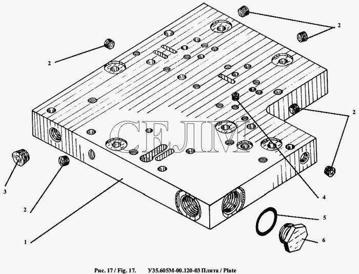
| № поз | Каталоговий номер | Назва | |
|---|---|---|---|
| 1 | У35.615-12.121 | Плита | Передзвоніть нам (067) 473-90-09 |
| 2 | 1-1/4".22-1624.18-84 | Пробка | Передзвоніть нам (067) 473-90-09 |
| 3 | 1-1/2".22-1624.18-84 | Пробка | Передзвоніть нам (067) 473-90-09 |
| 4 | У35.615-12.123 | Дросель | Передзвоніть нам (067) 473-90-09 |
| 5 | 023-028-30.9833 | Кільце | Передзвоніть нам (067) 473-90-09 |
| 6 | У35.615-12.124 | Пробка | Передзвоніть нам (067) 473-90-09 |