
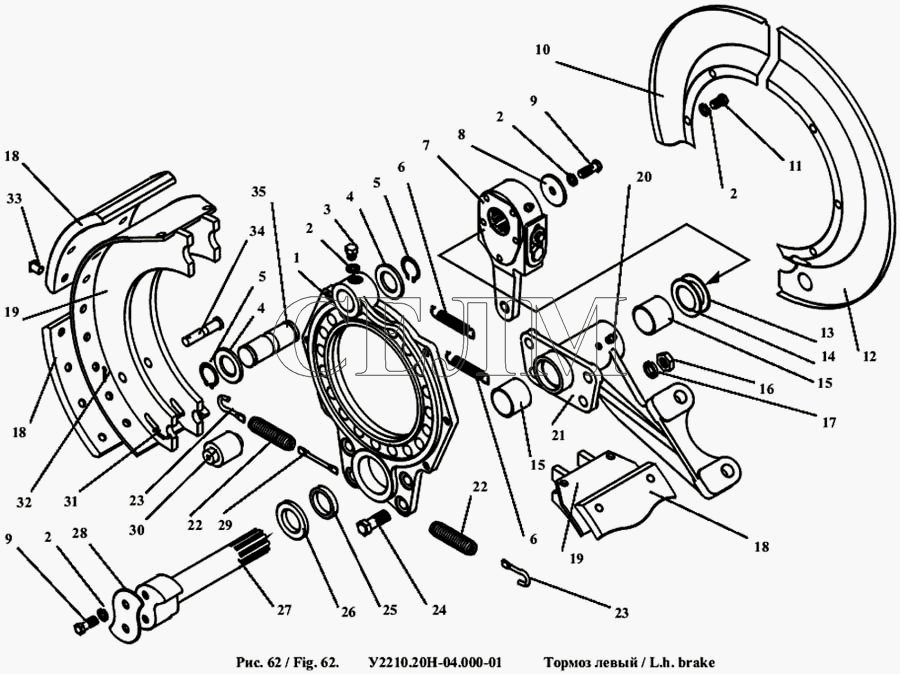
| № поз | Каталоговий номер | Назва | |
|---|---|---|---|
| 1 | У2210.20Н-03.002 | Супорт гальма | Передзвоніть нам (067) 473-90-09 |
| 2 | 10.6402 | Шайба | Передзвоніть нам (067) 473-90-09 |
| 3 | У2210.03-01.013 | Болт стопорний | Передзвоніть нам (067) 473-90-09 |
| 4 | У2210.03-01.014 | Шайба вісі колодок | Передзвоніть нам (067) 473-90-09 |
| 5 | В32.13940 | Кільце | Передзвоніть нам (067) 473-90-09 |
| 6 | У2210.02-01.002 | Пружина колодок нижня | Передзвоніть нам (067) 473-90-09 |
| 7 | У2210.20Н-03.070 | Важіль регулювальний | Передзвоніть нам (067) 473-90-09 |
| 8 | У2210.02-01.008 | Шайба регулювального важеля | Передзвоніть нам (067) 473-90-09 |
| 9 | М10х16.7796 | Болт | Передзвоніть нам (067) 473-90-09 |
| 10 | У2210.20Н-00.027 | Кожух | Передзвоніть нам (067) 473-90-09 |
| 11 | М10х16.7798 | Болт | Передзвоніть нам (067) 473-90-09 |
| 12 | У2210.20Н-00.026 | Кожух | Передзвоніть нам (067) 473-90-09 |
| 13 | У2210.02-01.006 | Прокладка регулювального важеля | Передзвоніть нам (067) 473-90-09 |
| 14 | У2210.02-01.007 | Прокладка регулювального важеля | Передзвоніть нам (067) 473-90-09 |
| 15 | У2210.02-01.029 | Втулка кронштейна | Передзвоніть нам (067) 473-90-09 |
| 16 | М14.5916 | Гайка | Передзвоніть нам (067) 473-90-09 |
| 17 | 14.6402 | Шайба | Передзвоніть нам (067) 473-90-09 |
| 18 | У2210.03-01.021 | Накладка | Передзвоніть нам (067) 473-90-09 |
| 19 | У2210.03-01.020 | Колодка гальмівна | Передзвоніть нам (067) 473-90-09 |
| 20 | 1.3.01.19583 | Маслянка | Передзвоніть нам (067) 473-90-09 |
| 21 | У2210.03-02.034 | Кронштейн гальмівної камери лівий | Передзвоніть нам (067) 473-90-09 |
| 22 | У2210.03-01.039 | Пружина колодок | Передзвоніть нам (067) 473-90-09 |
| 23 | У2210.03-01.042 | Наконечник пружини | Передзвоніть нам (067) 473-90-09 |
| 24 | М14х40.7808 | Болт | Передзвоніть нам (067) 473-90-09 |
| 25 | 039-045-36.9833 | Кільце | Передзвоніть нам (067) 473-90-09 |
| 26 | У2210.02-01.005 | Втулка розпірна | Передзвоніть нам (067) 473-90-09 |
| 27 | У2210.02-02.001 | Кулак разжимной лівий | Передзвоніть нам (067) 473-90-09 |
| 28 | У2210.03-01.005 | Пластина опорна | Передзвоніть нам (067) 473-90-09 |
| 29 | У2210.03-01.041 | Ланка пружини | Передзвоніть нам (067) 473-90-09 |
| 30 | У2210.03-01.023 | Ролик | Передзвоніть нам (067) 473-90-09 |
| 31 | У2210.03-01.022 | Стопор ролика | Передзвоніть нам (067) 473-90-09 |
| 32 | 4х25.397 | Шплінт | Передзвоніть нам (067) 473-90-09 |
| 33 | У2210.02-01.024 | Заклепка накладки | Передзвоніть нам (067) 473-90-09 |
| 34 | У2210.03-01.004 | Палець пружини | Передзвоніть нам (067) 473-90-09 |
| 35 | У2210.03-01.003 | Вісь колодок | Передзвоніть нам (067) 473-90-09 |