
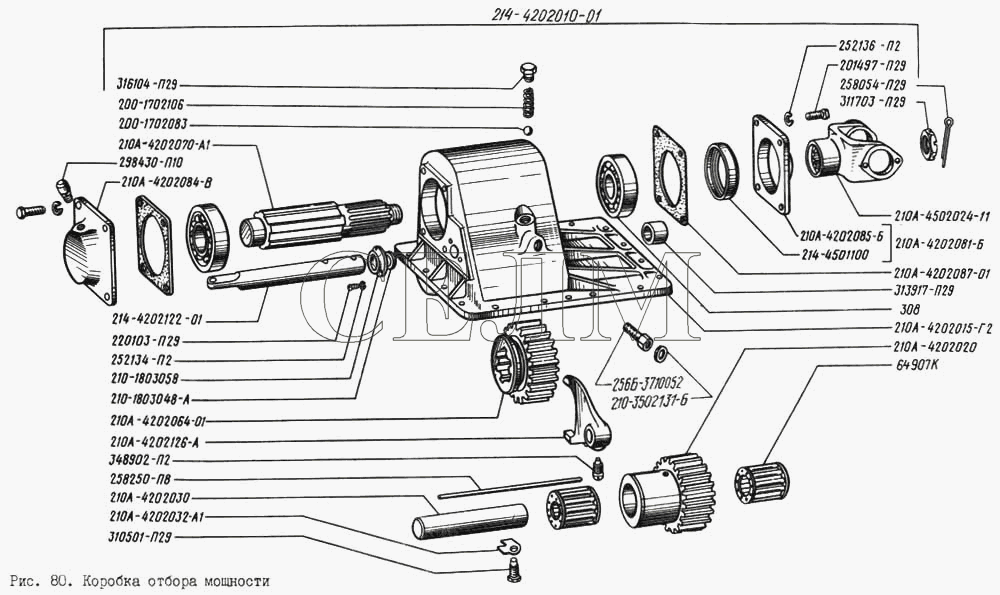
| № поз | Каталоговий номер | Назва | |
|---|---|---|---|
| 201497-П29 | Болт М10х1,25х25 | Передзвоніть нам (067) 473-90-09 | |
| 210А-4202070-А1 | Вал відомої шестерні | Передзвоніть нам (067) 473-90-09 | |
| 210А-4202126-А | Вилка включення коробки | Передзвоніть нам (067) 473-90-09 | |
| 210А-4502024-11 | Вилка карданного валу | Передзвоніть нам (067) 473-90-09 | |
| 220103-П29 | Гвинт М6х1х12 | Передзвоніть нам (067) 473-90-09 | |
| 310501-П29 | Гвинт М10х22 | Передзвоніть нам (067) 473-90-09 | |
| 348902-П2 | Гвинт установчий М10х18 | Передзвоніть нам (067) 473-90-09 | |
| 311703-П29 | Гайка М24х2 | Передзвоніть нам (067) 473-90-09 | |
| 313917-П29 | Заглушка 20 | Передзвоніть нам (067) 473-90-09 | |
| 210А-4202032-А1 | Замок гвинта вісі шестерні | Передзвоніть нам (067) 473-90-09 | |
| 210А-4202015-Г2 | Картер коробки | Передзвоніть нам (067) 473-90-09 | |
| 210-1803048-А | Кільце ущільнювальне | Передзвоніть нам (067) 473-90-09 | |
| 214-4202010-01 | Коробка відбору потужності в зборі | Передзвоніть нам (067) 473-90-09 | |
| 210А-4202085-Б | Кришка задня | Передзвоніть нам (067) 473-90-09 | |
| 210А-4202081-Б | Кришка задня з сальником в зборі | Передзвоніть нам (067) 473-90-09 | |
| 210-1803058 | Кришка сальника | Передзвоніть нам (067) 473-90-09 | |
| 210А-4202084-В | Кришка передня | Передзвоніть нам (067) 473-90-09 | |
| 210А-4202030 | Вісь шестерні | Передзвоніть нам (067) 473-90-09 | |
| 308 | Підшипник кульковий | Передзвоніть нам (067) 473-90-09 | |
| 64907К | Підшипник роликовий | Передзвоніть нам (067) 473-90-09 | |
| 316104-П29 | Пробка гнізда М12 | Передзвоніть нам (067) 473-90-09 | |
| 210А-4202087-01 | Прокладка кришки | Передзвоніть нам (067) 473-90-09 | |
| 210-3502131-Б | Шайба регулювальна | Передзвоніть нам (067) 473-90-09 | |
| 200-1702106 | Пружина фіксатора | Передзвоніть нам (067) 473-90-09 | |
| 214-4501100 | Манжета | Передзвоніть нам (067) 473-90-09 | |
| 298430-П10 | Сапун До 1/8 " | Передзвоніть нам (067) 473-90-09 | |
| 252134-П2 | Шайба 6 пружинна | Передзвоніть нам (067) 473-90-09 | |
| 252136-П2 | Шайба 10 пружинна | Передзвоніть нам (067) 473-90-09 | |
| 200-1702083 | Шарик-фіксатор | Передзвоніть нам (067) 473-90-09 | |
| 210А-4202064-01 | Шестерня ведена | Передзвоніть нам (067) 473-90-09 | |
| 210А-4202020 | Шестерня паразитна | Передзвоніть нам (067) 473-90-09 | |
| 258054-П29 | Шплінт розвідний 4х32 | Передзвоніть нам (067) 473-90-09 | |
| 252250-П8 | Шплінт дріт | Передзвоніть нам (067) 473-90-09 | |
| 214-4202122-01 | Шток вилки | Передзвоніть нам (067) 473-90-09 | |
| 256Б-3710052 | Шток сигналізатора підйому платформи | Передзвоніть нам (067) 473-90-09 |