ТОВ СЕЛМ АГРО

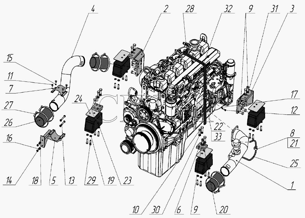
Установка двигуна OM457LA 744Р2-1000000-1

№ позКаталоговий номерНазва 
1744Р2-1000370-1ТрубаПередзвоніть нам
(067) 473-90-09
2744Р2-1000410-1КронштейнПередзвоніть нам
(067) 473-90-09
3744Р2-1000410-1-01КронштейнПередзвоніть нам
(067) 473-90-09
4744Р2-1000490ТрубаПередзвоніть нам
(067) 473-90-09
5744Р2-1000500КронштейнПередзвоніть нам
(067) 473-90-09
6744Р2-1000302ПроставкаПередзвоніть нам
(067) 473-90-09
7744Р2-1000501-1-01СкобаПередзвоніть нам
(067) 473-90-09
8700А.1100057-02ВтулкаПередзвоніть нам
(067) 473-90-09
9М16х1,5х40БолтПередзвоніть нам
(067) 473-90-09
10М16х45БолтПередзвоніть нам
(067) 473-90-09
11М8х16БолтПередзвоніть нам
(067) 473-90-09
12М8х20БолтПередзвоніть нам
(067) 473-90-09
13М10х75БолтПередзвоніть нам
(067) 473-90-09
14М10Гайка
Олива моторна М10Г2К 20л каністра API CC - YUKO
Каталоговий номер: М10Г2К (DIESEL AGRO)
Код товару: 00000076514
2172.26В корзині
Олива моторна М10Г2К (DIESEL AGRO) 180кг. бочка 200 л API CC - YUKO
Каталоговий номер: М10Г2К (DIESEL AGRO)
Код товару: 00000076584
19093.68Під замовлення
Штуцер перехідний під трубку тиску масла центрифуги МТЗ (М10*-1/4")
Каталоговий номер: М10*-1, 4"
Код товару: 00000022361
45.95В корзині
Датчик темп. води ГАЗ, МТЗ (під болт) в-во Автоприбор
Каталоговий номер: ТМ100В
Код товару: 00000035470
61.76Під замовлення
Штуцер перехідний під трубку тиску масла центрифуги МТЗ ( М10*-1/8", маленький)
Каталоговий номер: М10*-1, 8" (маленький)
Код товару: 00000005733
44.30В корзині
Олива моторна М10Г2К 5л каністра API CC - YUKO
Каталоговий номер: М10Г2К (DIESEL AGRO)
Код товару: 00000077680
601.54В корзині
Болт М10*60
Каталоговий номер: М10*60 (кг)
Код товару: 00000001204
109.30Під замовлення
Шайба М10*30 оц DIN9021
Каталоговий номер: м10*30
Код товару: 00000058317
100.60Під замовлення
Гайка М10
Каталоговий номер: м10
Код товару: 00000002235
129.58В корзині
Масльонка кутова М10 -- 90,
Каталоговий номер: М10, 90*
Код товару: 00000005055
5.80В корзині
Клема АКБ+/- Вантажна Латунь (болт затиск М10) 2 шт
Каталоговий номер: 11-3703210-10 (М10)
Код товару: 00000049853
219.01Під замовлення
Паста "Автомайстер" 1,0 кг
Каталоговий номер: АМ1000
Код товару: 00000039722
42.23В корзині
Гайка М10
Каталоговий номер: м10
Код товару: 00000073835
175.12Під замовлення
Болт М10*30
Каталоговий номер: м10*30
Код товару: 00000001199
122.54В корзині
Болт М10 *40 Культиваторний
Каталоговий номер: М10*40
Код товару: 00000001193
120.47В корзині
Масло моторне М10ДМ 20л (ДК)
Каталоговий номер: М10ДМ 20л (ДК)
Код товару: 00000036379
740.57Під замовлення
Масло моторне М10Г2К 10 л. (ДК)
Каталоговий номер: М10Г2К 10 л. (ДК)
Код товару: 00000039997
384.52Під замовлення
Масло моторне М10Г2К 20 л. (ДК)
Каталоговий номер: М10Г2К 20 л. (ДК)
Код товару: 00000036378
724.79Під замовлення
Масло моторне М10ДМ 10л (ДК)
Каталоговий номер: М10ДМ 10л (ДК)
Код товару: 00000039998
383.30Під замовлення
Болт М10*110 1,5 DIN931
Каталоговий номер: М10*110 DIN931
Код товару: 00000035315
36.26Під замовлення
Датчик темп. води МАЗ КРАЗ ЗІЛ (під болт) ПЕКАР
Каталоговий номер: ТМ100-3808000 (ПЕКАР)
Код товару: 00000057762
98.12Під замовлення
Датчик темп. води ВОЛГА, ГАЗЕЛЬ (ПЕКАР)
Каталоговий номер: ТМ106-3808000-10
Код товару: 00000038639
100.60В корзині
Датчик темп. води МАЗ, КрАЗ, ЗІЛ (фішка) (вир-во ПЕКАР)
Каталоговий номер: ТМ100А-3808000 (ПЕКАР)
Код товару: 00000002810
126.68Під замовлення
Датчик температури (увімкнення вентилятора) 87-92 град.
Каталоговий номер: ТМ108 (87-92 град.)
Код товару: 00000037025
163.53В корзині
Датчик вмикання електровентилятора охолодження ВАЗ 2103-07, ГАЗ 3102
Каталоговий номер: ТМ108
Код товару: 00000011353
40.84Під замовлення
Датчик темпер. охол. рiдини ВАЗ всі мод. (ПЕКАР)
Каталоговий номер: ТМ106-3808000
Код товару: 00000002809
99.36В корзині
Датчик температури (увімкнення вентилятора) 82-87 град.
Каталоговий номер: ТМ108 (82-87)
Код товару: 00000037701
166.43Під замовлення
Датчик температури води ТМ 104
Каталоговий номер: ТМ104
Код товару: 00000002812
93.98В корзині
Гайка М10*1,25 колектора випускного (Латунь) (Н=11 кл.14 з юбкою)
Каталоговий номер: ГКМ10*1,25Л-14 (кл.14)
Код товару: 00000060977
16.41Під замовлення
Гайка М10*1,0 колектора випускного (Латунь) (Н=10 кл.14)
Каталоговий номер: ГКМ10*1,0Л-14 (кл.14)
Код товару: 00000060978
22.36Під замовлення
Датчик включення електровентилятора ТМ-108
Каталоговий номер: ТМ108-3702
Код товару: 00000001533
124.02Під замовлення
Датчик температури рідини (фішка) Пекар
Каталоговий номер: ТМ100А
Код товару: 00000030724
176.78Під замовлення
Датчик темп. води МАЗ КРАЗ ЗІЛ (під болт) (в-во Калуга)
Каталоговий номер: ТМ100 (в-во Калуга)
Код товару: 00000002808
194.58Під замовлення
Датчик темп. води ГАЗ, ЗІЛ, УрАЛ, УАЗ, Москвич ТМ 101 (під гвинт)
Каталоговий номер: ТМ101
Код товару: 00000073556
165.60Під замовлення
Датчик темп. води МАЗ КРАЗ ЗІЛ (фішка) (в-во Калуга)
Каталоговий номер: ТМ100А (Калуга)
Код товару: 00000050488
137.80Під замовлення
Датчик темп. води МАЗ КРАЗ ЗІЛ (під болт) (аналог)
Каталоговий номер: ТМ100 (аналог)
Код товару: 00000058827
114.68В корзині
Датчик темп. води МАЗ, КамАЗ, ГАЗ (фішка) <ДК>
Каталоговий номер: ТМ100А (ДК)
Код товару: 00000024053
90.25В корзині
Олива моторна М10Г2К 20л ойлбокс API CC - YUKO
Каталоговий номер: М10Г2К (DIESEL AGRO)
Код товару: 00000065246
2203.71Під замовлення
Датчик темп.води
Каталоговий номер: ТМ103
Код товару: 00000002811
23.30В корзині
Метчик М 10*1,25 М/р
Каталоговий номер: м10*1,25
Код товару: 00000037753
очікуєтьсяПід замовлення
Гайка М10 DIN934
Каталоговий номер: м10
Код товару: 00000082763
238.05Під замовлення
Метчик М 10*1,5 М/р
Каталоговий номер: м10*1,5
Код товару: 00000084446
228.11В корзині
Метчик М 10*1,0
Каталоговий номер: м10
Код товару: 00000084445
218.59Під замовлення
Шпилька М10*1,25-М12-55 (ремонтна)
Каталоговий номер: М10*1,25-М12-55
Код товару: 00000016541
45.13В корзині
Датчик темп. води МАЗ, КрАЗ, ЗІЛ (під болт) (DECARO)
Каталоговий номер: ТМ100
Код товару: 00000086514
143.24Під замовлення
Датчик темп. води МАЗ, КрАЗ, ЗІЛ (під фішку) (DECARO)
Каталоговий номер: ТМ100А
Код товару: 00000088715
139.10Під замовлення
Клема АКБ+/- Вантажна Латунь (болт затиск М10) 2 шт (230 гр.РЕМОНТ)
Каталоговий номер: 11-3703210-10 (М10)
Код товару: 00000091244
532.40В корзині
Скоба начепки зубових борін (П-подібна) КПС -Україна
Каталоговий номер: 2М10х52х55, 25.5.5.6.Ц9ХР
Код товару: 00000095264
12.83Під замовлення
Плашка М 10*1,5 9XC (IS)
Каталоговий номер: М10*1,5
Код товару: 00000098451
81.14Під замовлення
Датчик темпер. охол. рiдини
Каталоговий номер: ТМ106-3808 (ЕЕ-106)
Код товару: 00000099118
очікуєтьсяПід замовлення
Датчик темп. води МАЗ, КрАЗ, ЗІЛ (під фішку) (AGH)
Каталоговий номер: ТМ100А
Код товару: 00000100806
157.32В корзині
Датчик темп. води МАЗ, КрАЗ, ЗІЛ (під болт) (AGH)
Каталоговий номер: ТМ100
Код товару: 00000100807
163.53В корзині
Болт М10*100 8,8-1.5 DIN933
Каталоговий номер: ISO 4017 М10*100
Код товару: 00000100912
12.01В корзині
158.65ГШайбаПередзвоніть нам
(067) 473-90-09
1610.65ГШайбаПередзвоніть нам
(067) 473-90-09
178.01.019ШайбаПередзвоніть нам
(067) 473-90-09
1810.01.019ШайбаПередзвоніть нам
(067) 473-90-09
1912.01.019ШайбаПередзвоніть нам
(067) 473-90-09
2016.01.019ШайбаПередзвоніть нам
(067) 473-90-09
2120.32.11СкобаПередзвоніть нам
(067) 473-90-09
2232.30.13,0СкобаПередзвоніть нам
(067) 473-90-09
23А3972400018АмортизаторПередзвоніть нам
(067) 473-90-09
24А3832420034КришкаПередзвоніть нам
(067) 473-90-09
25А5410708132КZТрубка паливнаПередзвоніть нам
(067) 473-90-09
26А0020946382РукавПередзвоніть нам
(067) 473-90-09
27А0059970690ХомутПередзвоніть нам
(067) 473-90-09
2830-45/9ХомутПередзвоніть нам
(067) 473-90-09
29М12х1,5х45БолтПередзвоніть нам
(067) 473-90-09
30А3529902440ШайбаПередзвоніть нам
(067) 473-90-09
31N000125017016ШайбаПередзвоніть нам
(067) 473-90-09
32Рукав Dу32Рукав Dу32Передзвоніть нам
(067) 473-90-09
33305ТВ-40,30ТрубкаПередзвоніть нам
(067) 473-90-09