
| № поз | Каталоговий номер | Назва | |
|---|---|---|---|
| 20х29-1,6 | Рукав | Передзвоніть нам (067) 473-90-09 | |
| 2SNNР20х650А80А81 | Рукав | Передзвоніть нам (067) 473-90-09 | |
| 2SNNР20х850А80А80 | Рукав | Передзвоніть нам (067) 473-90-09 | |
| 2SNNР20х650А80А81 | Рукав | Передзвоніть нам (067) 473-90-09 | |
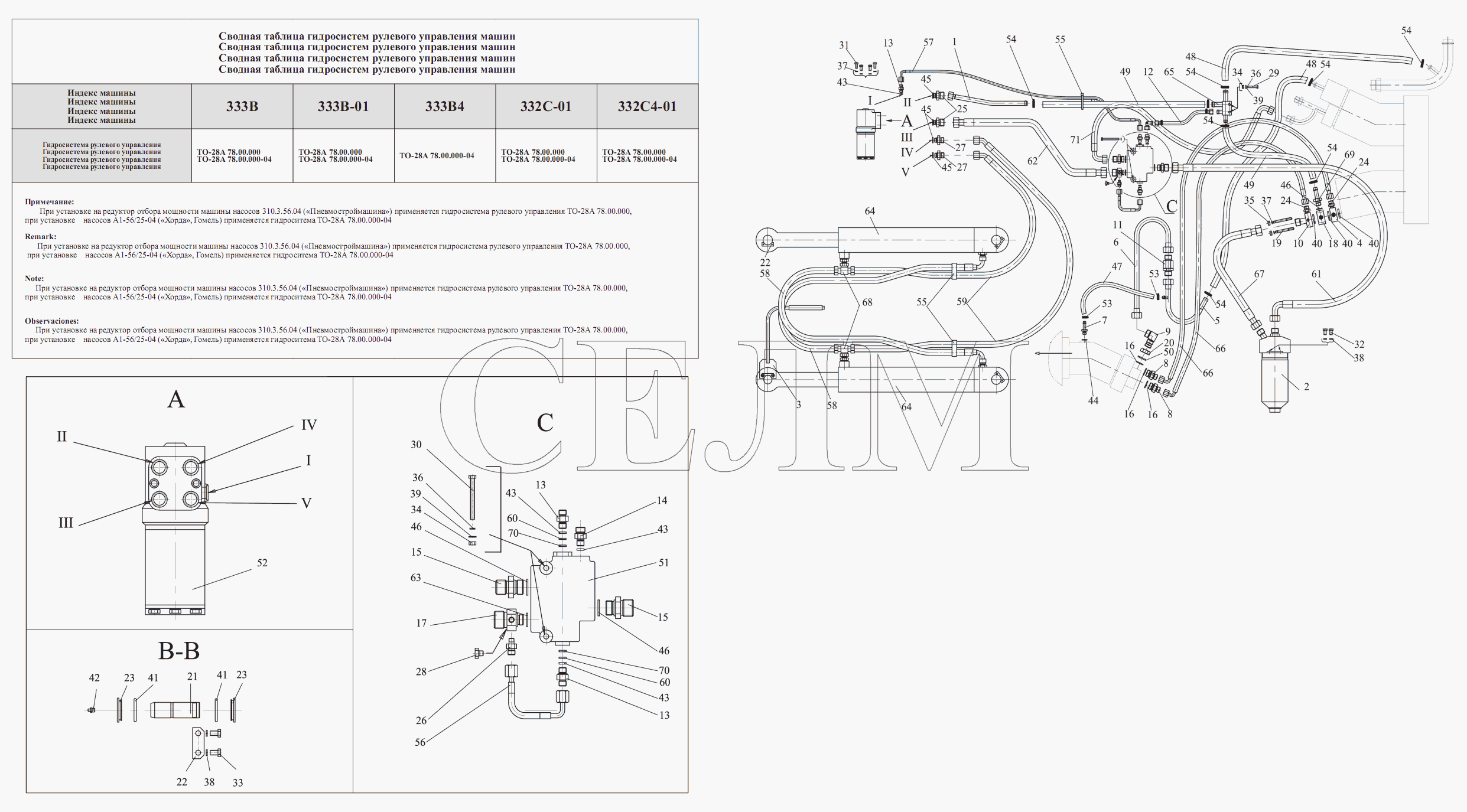
| 1 | ТО-28А.78.00.050 | Трубопровід | Передзвоніть нам (067) 473-90-09 | 
| 2 | ТО-28А.78.04.000-01 | Фільтр магістральний | Передзвоніть нам (067) 473-90-09 | 
| 2 | ТО-28А.78.03.000 | Фільтр магістральний | Передзвоніть нам (067) 473-90-09 | 
| 3 | ТО-18Б.08.10.000 | Кронштейн | Передзвоніть нам (067) 473-90-09 | 
| 4 | ТО-28А.78.00.130 | Зворотній клапан | Передзвоніть нам (067) 473-90-09 | 
| 5 | ТО-28А.78.00.060 | Трубопровід | Передзвоніть нам (067) 473-90-09 | 
| 6 | ТО-28А.78.00.070 | Трубопровід | Передзвоніть нам (067) 473-90-09 | 
| 7 | ТО-28.29.03.000 | Штуцер | Передзвоніть нам (067) 473-90-09 | 
| 8 | УДГ1.01.01.027 | Штуцер | Передзвоніть нам (067) 473-90-09 | 
| 9 | ТО-28А.78.00.004 | Косинець | Передзвоніть нам (067) 473-90-09 | 
| 10 | ТО-28А.78.00.100 | Перехідник | Передзвоніть нам (067) 473-90-09 | 
| 11 | ТО-28А.78.00.120 | Зворотній клапан | Передзвоніть нам (067) 473-90-09 | 
| 12 | ТО-28А.06.09.050-01 | Рукав | Передзвоніть нам (067) 473-90-09 | 
| 13 | УДГ1.01.17.001 | Штуцер | Передзвоніть нам (067) 473-90-09 | 
| 14 | УДГ1.01.17.002 | Штуцер | Передзвоніть нам (067) 473-90-09 | 
| 15 | УДГ1.01.17.018 | Штуцер | Передзвоніть нам (067) 473-90-09 | 
| 16 | 024-029-30-2-2 | Кільце | Передзвоніть нам (067) 473-90-09 | 
| 17 | ТО-28А.78.00.002 | Штуцер | Передзвоніть нам (067) 473-90-09 | 
| 18 | У462.8.1.5.1 | Клапан запобіжний | Передзвоніть нам (067) 473-90-09 | 
| 19 | ТО-18Д.08.00.003 | Шпилька | Передзвоніть нам (067) 473-90-09 | 
| 20 | ДЗ-133.45.00.004 | Гайка установча | Передзвоніть нам (067) 473-90-09 | 
| 21 | ТО-18А.08.00.004 | Палець | Передзвоніть нам (067) 473-90-09 | 
| 22 | ТО-18А.08.00.007 | Ригель | Передзвоніть нам (067) 473-90-09 | 
| 23 | ТО-18А.08.00.015 | Тримач | Передзвоніть нам (067) 473-90-09 | 
| 24 | УДГ1.01.03.008 | Штуцер | Передзвоніть нам (067) 473-90-09 | 
| 25 | УДГ1.01.02.033 | Штуцер | Передзвоніть нам (067) 473-90-09 | 
| 26 | УДГ1.01.03.001 | Штуцер | Передзвоніть нам (067) 473-90-09 | 
| 27 | УДГ1.01.02.024 | Штуцер | Передзвоніть нам (067) 473-90-09 | 
| 28 | УДГ109.03.001 | Заглушка | Передзвоніть нам (067) 473-90-09 | 
| 29 | М8-6gх40.56.0115 | Болт | Передзвоніть нам (067) 473-90-09 | 
| 30 | М8-6gх80.56.0115 | Болт | Передзвоніть нам (067) 473-90-09 | 
| 31 | М10-6gх20.56.0115 | Болт | Передзвоніть нам (067) 473-90-09 | 
| 32 | М12-6gх20.56.0115 | Болт | Передзвоніть нам (067) 473-90-09 | 
| 33 | М12-6gх30.56.0115 | Болт | Передзвоніть нам (067) 473-90-09 | 
| 34 | М8-6Н.5.0115 | Гайка | Передзвоніть нам (067) 473-90-09 | 
| 35 | М10-6Н.5.0115 | Гайка | Передзвоніть нам (067) 473-90-09 | 
| 36 | 865Г0115 | Шайба | Передзвоніть нам (067) 473-90-09 | 
| 37 | 1065Г0115 | Шайба | Передзвоніть нам (067) 473-90-09 | 
| 38 | 1265Г0115 | Шайба | Передзвоніть нам (067) 473-90-09 | 
| 39 | С.8.02.Ст3.0115 | Шайба | Передзвоніть нам (067) 473-90-09 | 
| 40 | 039-045-36-2-2 | Кільце | Передзвоніть нам (067) 473-90-09 | 
| 41 | 050-060-58-2-2 | Кільце | Передзвоніть нам (067) 473-90-09 | 
| 42 | 1.3.Ц6.хр | Маслянка | Передзвоніть нам (067) 473-90-09 | 
| 43 | 14М3 | Прокладка | Передзвоніть нам (067) 473-90-09 | 
| 44 | 16М3 | Прокладка | Передзвоніть нам (067) 473-90-09 | 
| 45 | 22М3 | Прокладка | Передзвоніть нам (067) 473-90-09 | 
| 46 | 27М3 | Прокладка | Передзвоніть нам (067) 473-90-09 | 
| 47 | 12х20-1,6 | Рукав | Передзвоніть нам (067) 473-90-09 | 
| 49 | 20х29-1,6 | Рукав | Передзвоніть нам (067) 473-90-09 | 
| 50 | ДЗ-133.45.00.007 | Шайба захисна | Передзвоніть нам (067) 473-90-09 | 
| 51 | 141-1100 | Клапан пріоритетний | Передзвоніть нам (067) 473-90-09 | 
| 52 | 1092.800 | Насос-дозатор | Передзвоніть нам (067) 473-90-09 | 
| 53 | 12-20/9-С7W2 | Затиск ТОRRО | Передзвоніть нам (067) 473-90-09 | 
| 54 | 20-32/9-С7W2 | Затиск ТОRRО | Передзвоніть нам (067) 473-90-09 | 
| 55 | ТКUV20/5 | Кабельна стяжка | Передзвоніть нам (067) 473-90-09 | 
| 56 | 1SNNР6х350А60А61 | Рукав високого тиску | Передзвоніть нам (067) 473-90-09 | 
| 57 | 1SNNР6х1050А61А61 | Рукав високого тиску | Передзвоніть нам (067) 473-90-09 | 
| 58 | 2SNNР13х1250А60А61 | Рукав | Передзвоніть нам (067) 473-90-09 | 
| 59 | 2SNNР13х1550А60А63 | Рукав | Передзвоніть нам (067) 473-90-09 | 
| 60 | ТО-28А.78.00.003 | Фільтр | Передзвоніть нам (067) 473-90-09 | 
| 63 | ТО-18.08.02.009 | Шайба | Передзвоніть нам (067) 473-90-09 | 
| 64 | ТО-28А.78.08.000 | Гідроциліндр | Передзвоніть нам (067) 473-90-09 | 
| 64 | ТО-28А.78.08.000-01 | Гідроциліндр | Передзвоніть нам (067) 473-90-09 | 
| 64 | ТО-28А.78.08.000-03 | Гідроциліндр | Передзвоніть нам (067) 473-90-09 | 
| 65 | ТО-28А.78.00.110 | Колектор зливний | Передзвоніть нам (067) 473-90-09 | 
| 66 | 2SNNР13х1050А60А61 | Рукав | Передзвоніть нам (067) 473-90-09 | 
| 66 | 2SNNР13х1450А60А61 | Рукав | Передзвоніть нам (067) 473-90-09 | 
| 67 | 2SNNР20х650А80А81 | Рукав | Передзвоніть нам (067) 473-90-09 | 
| 67 | 2SNNР20х850А80А80 | Рукав | Передзвоніть нам (067) 473-90-09 | 
| 67 | 2SNNР20х650А80А80 | Рукав | Передзвоніть нам (067) 473-90-09 | 
| 68 | 15LНz3 | Трійник Хетай | Передзвоніть нам (067) 473-90-09 | 
| 69 | УДГ1.13.00.011 | Штуцер | Передзвоніть нам (067) 473-90-09 | 
| 70 | 009-012-19-2-2 | Кільце | Передзвоніть нам (067) 473-90-09 | 
| 71 | 2SNNР20х900А80А81 | Рукав | Передзвоніть нам (067) 473-90-09 |