
| № поз | Каталоговий номер | Назва | |||||||||||||||||||||||||||||
|---|---|---|---|---|---|---|---|---|---|---|---|---|---|---|---|---|---|---|---|---|---|---|---|---|---|---|---|---|---|---|---|
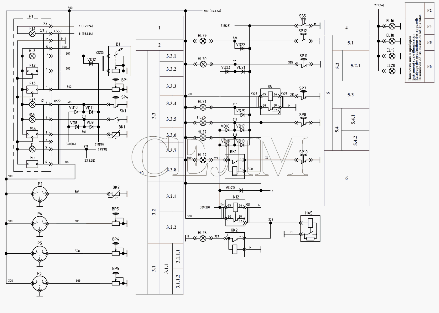
| Тормознаясистема | Гальмівна система | Передзвоніть нам (067) 473-90-09 | |||||||||||||||||||||||||||||
| Аварийноепадениедавления0,45-0,55МПа | Аварійне падіння тиску 0,45-0,55 МПа | Передзвоніть нам (067) 473-90-09 | |||||||||||||||||||||||||||||
| Iконтур | I контур | Передзвоніть нам (067) 473-90-09 | |||||||||||||||||||||||||||||
| IIконтур | II контур | Передзвоніть нам (067) 473-90-09 | |||||||||||||||||||||||||||||
| Стояночныйтормоз | Гальмо стоянки | Передзвоніть нам (067) 473-90-09 | |||||||||||||||||||||||||||||
| Сигнализацияаварийныхрежимов | Сигналізація аварійних режимів | Передзвоніть нам (067) 473-90-09 | |||||||||||||||||||||||||||||
| ДУМП-05 | Датчик Думпе-05 | Передзвоніть нам (067) 473-90-09 | |||||||||||||||||||||||||||||
| ДУТЖ | Датчик | ||||||||||||||||||||||||||||||
| 
 | |||||||||||||||||||||||||||||||
| ДД-10-02 | Датчик | Передзвоніть нам (067) 473-90-09 | |||||||||||||||||||||||||||||
| 1602.3829 | Датчик тиску | Передзвоніть нам (067) 473-90-09 | |||||||||||||||||||||||||||||
| ДД-20 | Датчик | ||||||||||||||||||||||||||||||
| 
 | |||||||||||||||||||||||||||||||
| ЛВ211-329 | Патрон лампи ТУ37.003.689-75 | Передзвоніть нам (067) 473-90-09 | |||||||||||||||||||||||||||||
| А24-2 | Лампа | ||||||||||||||||||||||||||||||
| 
 | |||||||||||||||||||||||||||||||
| 733.3747-10 | Реле-сигналізатор 733.3747-10 | ||||||||||||||||||||||||||||||
| 
 | |||||||||||||||||||||||||||||||
| 2212.3803-86 | Лампа контрольна | Передзвоніть нам (067) 473-90-09 | |||||||||||||||||||||||||||||
| 2212.3803-24 | Лампа контрольна | Передзвоніть нам (067) 473-90-09 | |||||||||||||||||||||||||||||
| 2212.3803-05 | Лампа контрольна | Передзвоніть нам (067) 473-90-09 | |||||||||||||||||||||||||||||
| 2102.3803 | Лампа контрольна | Передзвоніть нам (067) 473-90-09 | |||||||||||||||||||||||||||||
| ЛВ211-329 | Патрон лампи ТУ37.003.689-75 | Передзвоніть нам (067) 473-90-09 | |||||||||||||||||||||||||||||
| А24-2 | Лампа | ||||||||||||||||||||||||||||||
| 
 | |||||||||||||||||||||||||||||||
| 2212.3803-20 | Лампа контрольна | Передзвоніть нам (067) 473-90-09 | |||||||||||||||||||||||||||||
| 901.3747 | Реле | ||||||||||||||||||||||||||||||
| 
 | |||||||||||||||||||||||||||||||
| РС493 | Реле-переривник | Передзвоніть нам (067) 473-90-09 | |||||||||||||||||||||||||||||
| КД8000-1 | Комбінація приборів | Передзвоніть нам (067) 473-90-09 | |||||||||||||||||||||||||||||
| А24-2 | Лампа | ||||||||||||||||||||||||||||||
| 
 | |||||||||||||||||||||||||||||||
| АКБА24-2 | Лампа контрольна розряду АКБ А24-2 | Передзвоніть нам (067) 473-90-09 | |||||||||||||||||||||||||||||
| А24-2 | Лампа | ||||||||||||||||||||||||||||||
| 
 | |||||||||||||||||||||||||||||||
| А24-2 | Лампа | ||||||||||||||||||||||||||||||
| 
 | |||||||||||||||||||||||||||||||
| А24-2 | Лампа | ||||||||||||||||||||||||||||||
| 
 | |||||||||||||||||||||||||||||||
| 22.3812 | Покажчик напруги 22.3812 | Передзвоніть нам (067) 473-90-09 | |||||||||||||||||||||||||||||
| 23.3806 | Приймач покажчика рівня палива 23.3806 | Передзвоніть нам (067) 473-90-09 | |||||||||||||||||||||||||||||
| 22.3810 | Приймач покажчика тиску 22.3810 | ||||||||||||||||||||||||||||||
| 
 | |||||||||||||||||||||||||||||||
| 28.3807 | Приймач термометра 28.3807 | Передзвоніть нам (067) 473-90-09 | |||||||||||||||||||||||||||||
| 502606 | Колодка штирьова | Передзвоніть нам (067) 473-90-09 | |||||||||||||||||||||||||||||
| 102612 | Штир 102612 | Передзвоніть нам (067) 473-90-09 | |||||||||||||||||||||||||||||
| 502606 | Колодка штирьова | Передзвоніть нам (067) 473-90-09 | |||||||||||||||||||||||||||||
| ЭИ8058-5 | Прилад | Передзвоніть нам (067) 473-90-09 | |||||||||||||||||||||||||||||
| ЭИ8059-14 | Прилад | Передзвоніть нам (067) 473-90-09 | |||||||||||||||||||||||||||||
| 16.3810 | Покажчик тиску 16.3810 | Передзвоніть нам (067) 473-90-09 | |||||||||||||||||||||||||||||
| ВК12-1 | Вимикач | Передзвоніть нам (067) 473-90-09 | |||||||||||||||||||||||||||||
| ДАТЖ | Датчик | ||||||||||||||||||||||||||||||
| 
 | |||||||||||||||||||||||||||||||
| ДАДМ | Датчик | ||||||||||||||||||||||||||||||
| 
 | |||||||||||||||||||||||||||||||
| ДАДВ-02 | Датчик | Передзвоніть нам (067) 473-90-09 | |||||||||||||||||||||||||||||
| 70ВF-2М-В-SР | Вимикач 70ВF-2М-У-SР | Передзвоніть нам (067) 473-90-09 | |||||||||||||||||||||||||||||
| 40ВF-2М-В-SР | Вимикач 40ВF-2М-У-SР | Передзвоніть нам (067) 473-90-09 | |||||||||||||||||||||||||||||
| 2.5ВF-2М-В-SР | Вимикач 2.5ВF-2М-У-SР | Передзвоніть нам (067) 473-90-09 | |||||||||||||||||||||||||||||
| ДСФ-65 | Датчик | ||||||||||||||||||||||||||||||
| 
 | |||||||||||||||||||||||||||||||
| КД226Б | Діод | Передзвоніть нам (067) 473-90-09 | |||||||||||||||||||||||||||||
| 602602 | Колодка гніздовий | ||||||||||||||||||||||||||||||
| 
 | |||||||||||||||||||||||||||||||
| 602606 | Колодка гніздовий | Передзвоніть нам (067) 473-90-09 | |||||||||||||||||||||||||||||
| 607605 | Колодка гніздовий | Передзвоніть нам (067) 473-90-09 | |||||||||||||||||||||||||||||
| РазрядаАКБ | Розряду АКБ | Передзвоніть нам (067) 473-90-09 | |||||||||||||||||||||||||||||
| Питаниеприборов | Живлення приладів | Передзвоніть нам (067) 473-90-09 | |||||||||||||||||||||||||||||
| Приборыконтроля | Прилади контролю | Передзвоніть нам (067) 473-90-09 | |||||||||||||||||||||||||||||
| Тормознаясистема | Гальмівна система | Передзвоніть нам (067) 473-90-09 | |||||||||||||||||||||||||||||
| Давлениемаславгидроаккумуляторах0-20,0МПа | Тиск масла в гідроакумулятори 0-20,0 МПа | Передзвоніть нам (067) 473-90-09 | |||||||||||||||||||||||||||||
| IIконтур | II контур | Передзвоніть нам (067) 473-90-09 | |||||||||||||||||||||||||||||
| Iконтур | I контур | Передзвоніть нам (067) 473-90-09 | |||||||||||||||||||||||||||||
| Трансмиссия | Трансмісія | Передзвоніть нам (067) 473-90-09 | |||||||||||||||||||||||||||||
| ТемпературамаславГТР40-120°С | Температура масла в ГТР 40-120 ° С | Передзвоніть нам (067) 473-90-09 | |||||||||||||||||||||||||||||
| ДавлениемаславГМП0-2,0МПа | Тиск масла в ГМП 0 - 2,0 МПа | Передзвоніть нам (067) 473-90-09 | |||||||||||||||||||||||||||||
| Силоваяустановка | Силова установка | Передзвоніть нам (067) 473-90-09 | |||||||||||||||||||||||||||||
| Минимальныйостатоктоплива | Мінімальний залишок палива | Передзвоніть нам (067) 473-90-09 | |||||||||||||||||||||||||||||
| Уровеньтоплива | Рівень палива | Передзвоніть нам (067) 473-90-09 | |||||||||||||||||||||||||||||
| Давлениемасла0-1,0МПа | Тиск масла 0-1,0 МПа | Передзвоніть нам (067) 473-90-09 | |||||||||||||||||||||||||||||
| Аварийноедавлениемасла0,04-0,08МПа | Аварійне тиск масла 0,04-0,08 МПа | Передзвоніть нам (067) 473-90-09 | |||||||||||||||||||||||||||||
| Перегревохлаждающейжидкости90-104°С | Перегрів охолоджуючої рідини 90-104 ° С | Передзвоніть нам (067) 473-90-09 | |||||||||||||||||||||||||||||
| Температураохлаждающейжидкости40-120°С | Температура охолоджуючої рідини 40-120 ° С | Передзвоніть нам (067) 473-90-09 | |||||||||||||||||||||||||||||
| Подсветкашкалприборов | Підсвічування шкал приладів | Передзвоніть нам (067) 473-90-09 | |||||||||||||||||||||||||||||
| Напряжениебортовойсети | Напруга бортової мережі | Передзвоніть нам (067) 473-90-09 | |||||||||||||||||||||||||||||
| Контрольисправностиламп | Контроль справності ламп | Передзвоніть нам (067) 473-90-09 | |||||||||||||||||||||||||||||
| Сигнализация | Сигналізація | Передзвоніть нам (067) 473-90-09 | |||||||||||||||||||||||||||||
| Засорениевоздушногофильтра | Засмічення повітряного фільтра | Передзвоніть нам (067) 473-90-09 | |||||||||||||||||||||||||||||
| Трансмиссия | Трансмісія | Передзвоніть нам (067) 473-90-09 | |||||||||||||||||||||||||||||
| Выходизстроянасосарулевогоуправления0,35-0,5МПа | Вихід з ладу насоса рульового управління 0,35-0,5 МПа | Передзвоніть нам (067) 473-90-09 | |||||||||||||||||||||||||||||
| Масляныйфильтр | Масляний фільтр гідросистеми робочого обладнання | Передзвоніть нам (067) 473-90-09 | |||||||||||||||||||||||||||||