/44.12.gif)
| № поз | Каталоговий номер | Назва | |||||||||||||||||||||||||||||
|---|---|---|---|---|---|---|---|---|---|---|---|---|---|---|---|---|---|---|---|---|---|---|---|---|---|---|---|---|---|---|---|
| Гайка М5 | Гайка М5 | Передзвоніть нам (067) 473-90-09 | |||||||||||||||||||||||||||||
| Шайба 5.65Г | Шайба 5.65Г | Передзвоніть нам (067) 473-90-09 | |||||||||||||||||||||||||||||
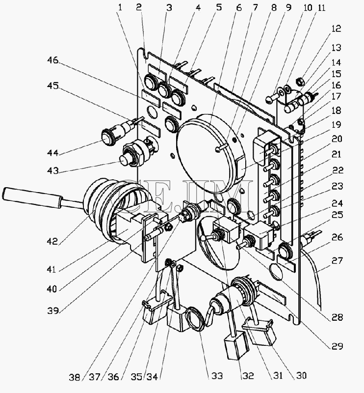
| 1 | 237.09.01.00.010 | Табличка | Передзвоніть нам (067) 473-90-09 | ||||||||||||||||||||||||||||
| 2 | 250.49.01.01.000 | Кришка | Передзвоніть нам (067) 473-90-09 | ||||||||||||||||||||||||||||
| 3 | 237.09.01.00.011 | Табличка | Передзвоніть нам (067) 473-90-09 | ||||||||||||||||||||||||||||
| 4 | 124.3803010 | Ліхтар контрольної лампи 124.3803010 | Передзвоніть нам (067) 473-90-09 | ||||||||||||||||||||||||||||
| 5 | 250.09.01.00.002 | Табличка | Передзвоніть нам (067) 473-90-09 | ||||||||||||||||||||||||||||
| 6 | 42.3802010 | Спідометр 42.3802010 | Передзвоніть нам (067) 473-90-09 | ||||||||||||||||||||||||||||
| 7 | 274.09.01.00.003 | Плита | Передзвоніть нам (067) 473-90-09 | ||||||||||||||||||||||||||||
| 8 | Винт В.М 4х16 | Гвинт ВМ4х16 | Передзвоніть нам (067) 473-90-09 | ||||||||||||||||||||||||||||
| 9 | Шайба 4.65Г | Шайба 4.65Г | Передзвоніть нам (067) 473-90-09 | ||||||||||||||||||||||||||||
| 10 | Винт В.М 6х16 | Гвинт В.М 6х16 | Передзвоніть нам (067) 473-90-09 | ||||||||||||||||||||||||||||
| 11 | Шайба С6х1,4 | Шайба С6х1,4 | Передзвоніть нам (067) 473-90-09 | ||||||||||||||||||||||||||||
| 12 | Гайка М6 | Гайка М6 | Передзвоніть нам (067) 473-90-09 | ||||||||||||||||||||||||||||
| 13 | РС401Б | Реле-переривник покажчиків поворотів РС401Б | Передзвоніть нам (067) 473-90-09 | ||||||||||||||||||||||||||||
| 14 | А24-2 | Лампа А24-2 | |||||||||||||||||||||||||||||
| |||||||||||||||||||||||||||||||
| 15 | ЛВ211-3714329 | Патрон з штекером ЛВ211-3714329 | Передзвоніть нам (067) 473-90-09 | ||||||||||||||||||||||||||||
| 18 | 274.09.01.00.004 | Скоба | Передзвоніть нам (067) 473-90-09 | ||||||||||||||||||||||||||||
| 19 | 225.44.13.01.708 | Скоба | Передзвоніть нам (067) 473-90-09 | ||||||||||||||||||||||||||||
| 20 | 237.09.01.00.005 | Табличка | Передзвоніть нам (067) 473-90-09 | ||||||||||||||||||||||||||||
| 21 | 237.09.01.00.004 | Табличка | Передзвоніть нам (067) 473-90-09 | ||||||||||||||||||||||||||||
| 22 | 776.09.01.00.002 | Табличка | Передзвоніть нам (067) 473-90-09 | ||||||||||||||||||||||||||||
| 24 | П2Т-1В | Тумблер П2Т-1В | Передзвоніть нам (067) 473-90-09 | ||||||||||||||||||||||||||||
| 25 | 237.09.02.00.005 | Табличка | Передзвоніть нам (067) 473-90-09 | ||||||||||||||||||||||||||||
| 26 | 237.09.01.00.013 | Табличка | Передзвоніть нам (067) 473-90-09 | ||||||||||||||||||||||||||||
| 27 | 250.09.01.02.000 | Палять | Передзвоніть нам (067) 473-90-09 | ||||||||||||||||||||||||||||
| 28 | Тумблер Т3-В | Тумблер Т3-В | Передзвоніть нам (067) 473-90-09 | ||||||||||||||||||||||||||||
| 29 | 237.09.02.00.001 | Табличка | Передзвоніть нам (067) 473-90-09 | ||||||||||||||||||||||||||||
| 30 | 250.49.01.02.000 | Палять 17 | Передзвоніть нам (067) 473-90-09 | ||||||||||||||||||||||||||||
| 31 | ВК353 | Вимикач запалювання ВК353 | |||||||||||||||||||||||||||||
| |||||||||||||||||||||||||||||||
| 32 | 237.09.01.00.007 | Табличка | Передзвоніть нам (067) 473-90-09 | ||||||||||||||||||||||||||||
| 33 | Гайка 157.000 | Гайка 157.000 | Передзвоніть нам (067) 473-90-09 | ||||||||||||||||||||||||||||
| 34 | Гайка М5 | Гайка М5 | Передзвоніть нам (067) 473-90-09 | ||||||||||||||||||||||||||||
| 35 | Шайба С5 | Шайба С5 | Передзвоніть нам (067) 473-90-09 | ||||||||||||||||||||||||||||
| 36 | 276.09.01.02.000 | Палять 16 | Передзвоніть нам (067) 473-90-09 | ||||||||||||||||||||||||||||
| 37 | Шайба 5.65Г | Шайба 5.65Г | Передзвоніть нам (067) 473-90-09 | ||||||||||||||||||||||||||||
| 38 | ДВП4-3В | Тримач вставки плавкої ДВП4-3В | Передзвоніть нам (067) 473-90-09 | ||||||||||||||||||||||||||||
| 39 | ВП3Б-1В 6,3А | Вставка плавка ВП3Б-1В 6,3А | Передзвоніть нам (067) 473-90-09 | ||||||||||||||||||||||||||||
| 40 | Винт В.М 5х16 | Гвинт В.М 5х16 | Передзвоніть нам (067) 473-90-09 | ||||||||||||||||||||||||||||
| 41 | 6612.3709 | Перемикач покажчиків поворотів, ближнього і дальнього світла 6612.3709 | |||||||||||||||||||||||||||||
| |||||||||||||||||||||||||||||||
| 42 | 225.44.13.01.707 | Чохол | Передзвоніть нам (067) 473-90-09 | ||||||||||||||||||||||||||||
| 43 | 11.3704.000-01 | Вимикач 11.3704.000-01 | Передзвоніть нам (067) 473-90-09 | ||||||||||||||||||||||||||||
| 44 | 123.3803010 | Ліхтар контрольної лампи 123.3803010 | Передзвоніть нам (067) 473-90-09 | ||||||||||||||||||||||||||||
| 45 | 237.09.02.00.004 | Табличка | Передзвоніть нам (067) 473-90-09 | ||||||||||||||||||||||||||||
| 46 | 237.09.01.00.002 | Табличка | Передзвоніть нам (067) 473-90-09 | ||||||||||||||||||||||||||||